Content added to your bookmarks in MyHoval

File added to your bookmarks in MyHoval

There has been an error while adding Content to your bookmarks in MyHoval

Hibridni sustav s dizalicom topline i kondenzacijskim kotlom – studija slučaja teretane

Kao dio ovog projekta razvijenog za teretanu, Hoval je surađivao sa svojim belgijskim partnerom EDERGEN-om na stvaranju održivog i klimatski prihvatljivog sustava grijanja.

  • Blog
  • Stručnjak - Inženjer
Visokotehnološki hibridni sustav izveden je tako da proizvodi toplinu za teretanu kao i za  susjednu multifunkcionalnu dvoranu, koja se također može pohvaliti privlačnim i kompaktnim arhitektonskim dizajnom u obliku tri međusobno povezane kocke.

Ukupna grijana površina Sportif Hall de la Bruyère iznosi 2 136 m2, a toplinsku energiju isporučuju grijači zraka i radijatori, koji koriste vodu kao toplinski agens. Osim grijanja teretane, sustav grijanja mora pripremiti potrošnu toplu vodu za ukupno 22 tuša. Projektirana temperatura sustava za distribuciju toplinske energije iznosi 60°C. Minimalna vanjska temperatura od -9°C bila je osnova za sustav, što je rezultiralo izračunatim toplinskim opterećenjem od 99 kW za teretanu i multifunkcionalnu dvoranu. Dizalica topline zrak/voda Belaria fit i plinski kondenzacijski kotao UltraGas 2 iz Hovala tako tvori učinkovit sustav grijanja kao i zagrijavanja PTV-a .

Snaga potrebna za grijanje teretane mijenja se ovisno o sezonskim temperaturnim promjenama. Prednosti ovog učinkovitog sustava grijanja i pripreme tople vode za kućanstvo su dokazane: ako niske temperature zimi znače da dizalica topline Belaria fit više ne može pokriti potrebnu proizvodnju topline, kondenzacijski kotao UltraGas 2 intervenira kako bi kompenzirao osiguranje potrebne temperature u prostoriji.

Belaria fit dizalica topline: snažna i pouzdana

S dva ugrađena kompresora i inverter tehnologijom, ekološki prihvatljiva dizalica topline Belaria fit (53) može optimizirati svoj učin kako bi zadovoljila potražnju za toplinom. Neželjeni, česti start/stop ciklusi tako se učinkovito izbjegavaju, značajno minimizirajući negativan utjecaj na radni vijek kompresora. Ovaj aspekt je iznimno važan kada želimo da dizalica topline radi što održivije tijekom duljeg vremenskog razdoblja i da ima najduži mogući vijek trajanja.

UltraGas 2 - plinski kondenzacijski kotao s modulirajućim učinom, spreman za rad s H2

Inteligentni sustav grijanja u teretani poput naprednog hibridnog sustava znači da postoje dva generatora topline - modulacijski kotao instaliran je uz dizalicu topline - UltraGas 2 (125). Plinski kondenzacijski kotao radi na propan. Kao ekološki prihvatljiva alternativa, također može raditi i s 100% biometanom ili 20% mješavinom s vodikom, uz dodatak prirodnog plina ili biometana. Sam spremnik za propan nalazi se pod zemljom, izvan dvorane.

80% godišnje potrošnje energije pokriva dizalica topline Belaria fit

Primjena Belaria fit u hibridnom sustavu znači da je moguće pokrivanje 83% godišnje potrošnje energije za kompleks zgrada energetski učinkovitom dizalicom topline. Emisije ugljika mogu se značajno smanjiti uporabom hibridnog sustava.

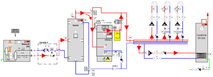
Hidraulički dijagram instalacije grijanja/hlađenja i pripreme PTV-a u sportskoj dvorani

Primjer: Rad hidrauličke instalacije u hibridnom sustavu.

1. Referentna temperatura u prostoriji postiže se pomoću dizalice topline Belaria fit

Belaria fit dizalica topline zagrijava Hovalov spremnik EnerVal na potrebnu referentnu temperaturu. Tako se grijaći krugovi ili Hoval CombiVal ER - drugi kotao za potrošnu toplu vodu sada mogu indirektno opskrbljivati.

2. Referentna temperatura u prostoriji nije postignuta


Dizalica topline Belaria fit zagrijava spremnik EnerVal, ali se ipak ne postiže potrebna referentna temperatura. Stoga se pokreće UltraGas 2 plinski kondenzatorski kotao i zagrijava grijanu vodu na potrebnu referentnu temperaturu od 60°C. To omogućuje da se grijaći krugovi ili CombiVal ER spremnik za PTV sada mogu indirektno opskrbljivati.

Pametno hibridno rješenje za bivalentni raspon

Učinkovitost bilo koje dizalice topline zrak/voda smanjuje se pri niskim vanjskim temperaturama. Bivalentna točka je točka u kojoj postaje korisno – s aspekta ukupne učinkovitosti sustava grijanja – koristiti drugi generator topline za ukupnu potrebnu toplinsku energiju.

Bivalentni interval (područje označeno plavom bojom na donjem dijagramu) interval je u kojem drugi generator topline mora pokriti potrebno toplinsko opterećenje zgrade. UltraGas 2, kao drugi generator topline, aktivira se u bivalentnoj točki – što se uvijek odnosi na vanjsku temperaturu.

Ključna prednost hibridnog rješenja je mogućnost odabira korištenja manjeg učina kod dizalice topline. To smanjuje ne samo troškove ulaganja, već i operativne troškove u usporedbi s monovalentnim sustavom dizalica topline. Na temperaturama iznad bivalentne točke, teretana se napaja obnovljivom energijom koju tijekom cijele godine proizvodi dizalica topline. Kako vanjska temperatura raste, tako raste i učinkovitost dizalice topline. Korištenje ovog hibridnog rješenja s manjim učinom dizalice topline također znači izbjegavanje neželjenih ciklusa uključivanja/isključivanja.


Još jedna prednost je što postojanje dva generatora topline povećava operativnu pouzdanost sustava. Ako jedan generator topline otkaže, teretana se i dalje može opskrbljivati toplinom.

Značajke dizalice topline Belaria fit

Savršeno koordiniran hibridni sustav – uključujući dizalicu topline zrak/voda Belaria fit (53) u kombinaciji s plinskim kondenzacijskim kotlom UltraGas 2 (125), spremnik EnerVal (500) i spremnikom za PTV CombiVal ER (500) – pametno je i održivo rješenje za višenamjensku teretanu u La Bruyèreu.


Osim toga, Hoval Belaria fit reverzibilna dizalica topline dostupna je u dva raspona snage i može se koristiti u brojnim projektima koji zahtijevaju grijanje ili hlađenje. Belaria fit pritom koristi rashladno sredstvo R32.


Kao samostalna jedinica, Belaria fit ima toplinski učin do 85 kW. U kaskadnoj konfiguraciji može se istovremeno koristiti do 16 jedinica, što odgovara učinu od 1 360 kW. Kao energetski učinkovito i ekološki prihvatljivo rješenje za grijanje i hlađenje, Belaria fit je prikladna i za stambene blokove, kao i za velike komplekse zgrada, teretane ili multifunkcionalne dvorane.

Zaključak

Ovaj projekt jasno pokazuje kako hibridni sustav s dizalicom topline i plinskim kondenzacijskim kotlom predstavlja optimalno rješenje za objekte s promjenjivim energetskim zahtjevima, poput sportskih dvorana. Kombinacijom obnovljivog izvora energije i pouzdane podrške plinskog kondenzacijskog kotla postiže se visoka učinkovitost, smanjenje emisija CO₂ te siguran rad u svim uvjetima.

Upravo ta fleksibilnost i energetska optimizacija čine hibridna rješenja ključnim korakom prema održivijoj i ekonomičnijoj budućnosti grijanja

Ostanite u tijeku s našim e-novostima!

Uživali ste u ovom članku? Prijavite se za naš newsletter kako biste primali više ekskluzivnog sadržaja poput ovog prije nego što bude objavljen na našoj web stranici. Budite prvi koji će dobiti uvide, ažuriranja i vrijedne informacije isporučene izravno u Vašu pristiglu poštu. Ne propustite - pridružite se našoj zajednici danas.